氣動襯氟蝶閥
- 閥門型號:D671F46,D641F46,D671F4,D641F4
- 通徑規格:DN50~DN1200
- 結構形式:中線型,對夾式,法蘭
- 閥體材質:碳鋼,不銹鋼304、316、316L等
- 公稱壓力:PN6、PN10、PN16
- 適用溫度:-20℃~180℃
- 應用范圍:弱腐蝕性流體及強酸介質等
- 產品特點:密封性能好,具有超強的耐腐蝕性和耐磨性
氣動襯氟蝶閥簡介:
氣動襯氟蝶閥又稱氣動襯里防腐蝶閥,是在會與管道介質接觸的過流部件(如閥體內壁、蝶板、閥座)襯上一層較厚的氟塑料,具有超強的耐腐蝕性和耐磨性。氣動襯氟蝶閥閥座與碟板全部由PTFE制作而成,有效的保證閥軸等相關部件不被閥腔內的介質接觸而腐蝕。氣動襯氟蝶閥按連接方式不同分為氣動對夾式襯氟蝶閥和氣動法蘭襯氟蝶閥,也可以根據工況要求選用開關型或調節型的執行裝置,達到對管路介質的快速切斷或比例式調節流量使用,可廣泛應用于溫度≤180℃的腐蝕性流體以及強酸強堿等介質的常溫常壓場合。

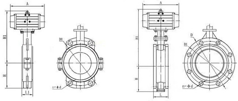
氣動對夾式襯氟蝶閥 氣動法蘭襯氟蝶閥氣動襯氟蝶閥應用:
氣動襯氟蝶閥的密封結構根據使用工況可分為半襯氟蝶閥和全襯氟蝶閥,具有耐老化、防腐蝕、壽命長等優點,且密封性能可達到零泄露,是目前防腐設備理想的選擇之一,特別適用于有腐蝕性或潔凈度有一定要求工況的場所,廣泛應用于任何濃度的酸、堿、強氧化劑及王水、各種有機酸、還原劑、有機溶劑等介質,但不適合用于介質溫度及壓力過高或帶有顆粒狀的工藝介質,一般超過一定的壓力和溫度,都建議使用金屬密封材質的蝶閥。
氣動襯氟蝶閥技術參數:| 公稱通徑 | DN50~DN1200(mm) |
| 壓力等級 | PN0.6、1.0、1.6MPa |
| 連接方式 | 對夾式、法蘭連接 |
| 驅動方式 | 壓縮空氣4-7bar,可選手輪 |
| 適用溫度 | -20℃~180℃ |
| 閥體材質 | 碳鋼,不銹鋼304、316、316L等 |
| 密封結構 | 半襯、全襯氟密封 |
| 工作場合 | 弱腐蝕性流體及強酸介質等(常溫常壓、常溫低壓場合) |
| 附件選項 | 定位器、電磁閥、空氣過濾減壓器、保位閥、行程開關、閥位傳送器、手輪機構等 |
| 控制方式 | 開關切斷(開關兩位控制)、調節型(定位器4~20mA模擬量信號) |
氣動襯氟蝶閥材料及溫度(℃): 1、聚全氟乙烯FEP (F46):-85~150 2、四氟乙烯-乙烯ETFE(F40):-80--220 3、可溶性四氟PFA( FA):-70~200 4、聚四氟乙烯PTFE(F4):-200~180 5、聚偏二氟乙烯PVDF(F2):-70~100 6、改性聚乙烯FRPE(PO):-58~80 不同材料適用于不同溫度和不同介質 氣動襯氟蝶閥性能特點: | 氣動對夾式襯氟蝶閥結構圖 氣動法蘭襯氟蝶閥結構圖 |
1、氣動防腐蝶閥操力矩小,操作方便,省力靈巧;
2、氣動襯四氟蝶閥可以在任何位置安裝,且維修方便;
3、氣動防腐蝶閥密封件可以更換,根據工況不同選用半襯氟和全襯氟;
4、氣動耐腐蝕蝶閥密封材料耐老化、耐腐蝕,使用壽命長,可用于弱腐蝕性流體及強酸介質等。
氣動襯氟蝶閥性能規范:| 公稱通徑 | DN(mm) | 50~1200 |
| 公稱壓力 | PN(MPa) | 0.6 | 1.0 | 1.6 |
| 試驗壓力 | 強度試驗 | 0.9 | 1.5 | 2.4 |
| 密封試驗 | 0.66 | 1.1 | 1.76 |
| 氣密封試驗 | 0.6 | 0.6 | 0.6 |
| 作用形式 | 雙作用、單作用常閉、單作用常開 |
| 可選功能 | 電氣部分可選防爆,可帶手輪機構 |
相關產品: 電動襯氟蝶閥 氣動襯氟球閥 氣動襯氟截止閥